35KV 户外高压SVG

一、产品概述:
安徽中电HSVG系列高压动态无功补偿装置,以多片DSP+FPGA为控制核心,采用瞬时无功理论控制技术、FFT快速谐波计算技术、大功率IGBT驱动技术,以高可靠性、易操作、高性能为设计目标,能够快速连续地提供容性或感性无功功率,实现恒考核点无功功率、恒考核点电压和恒考核点功率因数,以及综合补偿等多种控制模式。HSVG系列高压动态无功补偿装置,不仅可以自动补偿无功,还可以同时动态补偿谐波,保障电力系统稳定、高效、优质地运行。
在输配电网中,新能源的大量接入,大容量的电力电子设备等非线性负荷和冲击负荷的广泛应用,带来了严重的电能质量问题,使用HSVG高压动态无功补偿装置,可以显著地改善负荷与公共电网连接点处的电能质量,例如提高功率因数、克服三相不平衡、消除电压闪变和电压波动、抑止谐波污染等。

高压SVG结构图

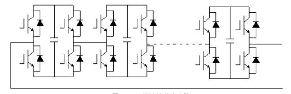
高压SVG IGBT级联基础电路

1.低电压穿越技术
2.谐波补偿技术
3.负序补偿技术
4.多机并联协调控制技术
5.PT、CT接线自动分析技术
6.串行光纤通信技术

易操作、高性能、高可靠性的HSVG系列产品为满足用户对提高输配电电网的功率因数、治理谐波、补偿负序电流的迫切需求做出相应设计,具有以下特点:
● 快速响应,瞬时补偿:全系列采用瞬时无功理论,控制器响应时间≤1ms,全功率响应时间≤5ms,特别适合于无功响应时间要求严格的场合,如轧钢、炼钢、提升类以及冲击性负荷。
● 负序抑制,平衡系统:配电网中存在大量的三相不平衡负载,典型的如电力机车牵引负荷和交流电弧炉等。同时线路、变压器等输配电设备三相阻抗的不平衡也会导致电压的不平衡问题产生。SVG能够快速的补偿由于负载不平衡所产生的负序电流,始终保证流入电网的三相电流平衡,大大提高了供用电的电能质量。
● 谐波治理,保证安全:装置可有效补偿13次及以下谐波,补偿率可达92%,从而有效避免了保护及安全自动装置误动作;有效避免了电容器模组谐波及谐波电流放大,使电容器过负荷或过电压,甚至烧毁;解决了增加变压器损耗,引起变压器发热,以及导致电力设备发热,电机力矩不稳甚至损坏的问题;避免了加速电力设备绝缘老化,易击穿和降低电弧炉生产效率,增加损耗以及干扰通讯信号问题。
● 精准补偿,变罚为奖:很多现场因考核点功率因数低于供电局要求,势必产生力调电费罚款。SVG可根据考核点设置的功率因数目标值,实时无级调节装置补偿的无功功率,使考核点的功率因数稳定在设定的目标值,杜绝因功率因数不达标而被罚款或者过度补偿造成的电网不稳定现象发生,也杜绝了因过补、欠补带来的经济损失。
● 接口丰富,即插即用:具有以太网、RS485、CAN、高速光纤等通讯接口,支持MODBUS_ RTU、 ProfiBUS、电力CDT91规约、IEC61850- 103/10等通讯规约,可以实现远程监控,无人值守。
● 模块设计,简便快捷:功率单元、供电电源、主控系统、二次配线等采用模块化设计,便于规模化生产和现场安装与维护。
● 高低穿越,极端无惧:在用户主电源电压瞬时跌落、瞬时升高、厂用电网大负荷切换时,在国标允许的范围内,电网恢复后SVG可快速的自动正常运行,无需人员操作,增强电网适应性,可适应不同深度的U0(100%-0%)电网跌落。
● 电压闪变,波动可抑:在负荷急剧变化时,易产生电压波动和闪变现象,比如电弧炉、轧机、氧气站透平空压机组等。SVG能够根据电网电压变化情况,快速的提供变化的无功电流,以补偿负荷变化引起的电压波动和闪变现象。
● 额定工作电压:35kV;
● 额定容量:±8~±100Mvar;
● 输出无功范围:感性额定无功到容性额定无功范围内连续变化;
● 响应时间:≤5ms;
● 过载能力:1.2倍过载1min;
● 输出电压总谐波畸变率(并网前):≤5%;
● 输出电流总谐波畸变率THD:≤3%;
● 系统电压不平衡保护,整定范围:4%~10%;
● 效率:额定运行工况≥99.2%;
● 运行温度:-20℃~+40℃;
● 贮存温度:-40℃~+65℃;
● 人机界面:采用中英文可设置的彩色触摸屏显示;
● 相对湿度:月平均值不大于90﹪(25℃),无凝露;
● 冷却方式:强迫风冷、水冷、空调(可选);
● 安装方式:户内、集装箱(可选);
● 海拔高度:﹤2000m;
● 地震烈度:≤8度。
● 6KV高压动态无功补偿SVG户外风冷系列
● 6KV高压动态无功补偿SVG内水冷系列
● 6KV高压动态无功补偿SVG户外水冷系列
● 10KV高压动态无功补偿SVG户内风冷系列
● 10KV高压动态无功补偿SVG户外风冷系列
● 10KV高压动态无功补偿SVG内水冷系列
● 10KV高压动态无功补偿SVG户外水冷系列
● 35KV高压动态无功补偿SVG户内风冷系列
● 35KV高压动态无功补偿SVG户外风冷系列
● 35KV高压动态无功补偿SVG内水冷系列
● 35KV高压动态无功补偿SVG户外水冷系列
● 35KV降压式动态无功补偿装置


皖公网安备 34032102180052号